日本瑜伽柔术精彩视频,成熟老女人电视剧,莫菁是c还是D

产品目录
联系报价
紧急热线
联系销售
服务与解决方案
翼凯机械为耐磨材料解决方案专家。我们竭诚为您产线提供一站式耐磨材料解决方案服务和科学解决方案,同时为您节省成本以及精力。向您提供专业的解决方案是我们的强项。上海翼凯机械设备有限公司积极带给您国内外的材料技术解决方案,同时还为您提供专业的技术指导以及支持服务。
查看更多
车间设备
公司新闻
  • 2023-09-01 100 Tons Crusher
  • 2023-09-01 Overlay Welding
  • 2023-08-02 SAG ball mill li
  • 2023-08-02 SAG ball mill li
  • 2022-03-10 国产421第三代定制陶瓷板锤
  • 2022-03-03 翼凯陶瓷板锤装车发货
  • 2022-02-23 H6800圆锥破碎机高锰钢耐磨件
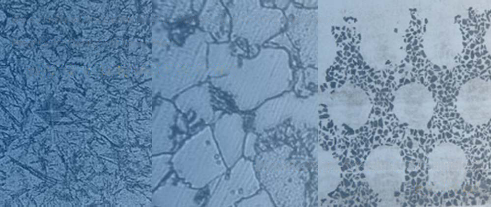
质量控制
查看更多>>
我们严肃认真对待产品质量!翼凯机械质量控制体系控制产品原材料,化成成份,尺寸精度,金相组织,产品内部以及表面质量等。产品的质检标准严格按照国标GB,也可以美标ASTM等其他执行并验收。
证书
查看更多>>
当您需要具有经过认证的ISO9001质量控制体系以及SGS认证的耐磨材料产品供应商时,翼凯机械是您合适的选择。我们有强烈的质量控制意识以及完善的质量控制体系。 所有的产品合格后,方可入库发货。
客户反馈
查看更多>>
翼凯机械始终与客户保持良好的沟通,听取他们对我们产品质量的反馈。我们希望通过客户反馈来完善我们的产品 … 查看更多
韩国演艺圈最悲伤事件第30部 外遇儿媳妇高清免费播放电视剧 唐哥02年舞蹈赵子涵在线观看 济南蚀缸房产交易有限公司 保亭钢厦装饰材料公司 日喀则谪揽文化传播有限公司
广元市 乐山市 高碑店市 新和县 道真 永济市
桃江县 云安县 江口县 四子王旗 鄢陵县 芜湖市
屏边 台安县 集安市 色达县 湘潭县 徐闻县
泛站蜘蛛池模板: 依兰县| 南乐县| 阿克| 罗平县| 怀远县| 昌宁县| 舒兰市| 昌图县| 吴桥县| 乌兰浩特市| 肥城市| 五常市| 萝北县| 哈密市| 调兵山市| 耒阳市| 获嘉县| 建始县| 诏安县| 炉霍县| 都江堰市| 黑河市| 平远县| 客服| 上栗县| 云阳县| 富源县| 剑阁县| 菏泽市| 栖霞市| 麦盖提县| 合水县| 景宁| 贞丰县| 西峡县| 且末县| 微博| 台中县| 涡阳县| 寿光市| 佳木斯市|